產品推介| 風華高科熱壓TLVR電感:破解AI供電難題,賦能AI產業發展
TLVR供電技術起源
隨著AI算力需求爆發式增長,服務器加速卡負載電流已提升至1000A以上,瞬態響應時間要求進入亞微秒級別。傳統多相電壓調節器(VR)架構的性能已逼近物理極限,難以兼顧大電流與超高瞬態響應的雙重挑戰。
2019年,谷歌在應用電力電子會議(APEC)上提出一項開源創新方案——多相變壓器電感電壓調節器(TLVR)拓撲結構。該技術通過將各相電感轉換為變壓器的次級繞組,并借助串聯補償電感與環路初級繞組實現磁耦合,建立起獨特的“相位聯動”響應機制,實現遠超傳統架構的瞬態響應速度。TLVR不僅具備優異的穩態性能,更為AI服務器提供了可線性擴展的高效供電解決方案。

作為開源技術,TLVR有效繞開了多種供電架構的專利壁壘,現已在算力服務器領域獲得廣泛應用。而TLVR電感,正是實現這一架構的核心元器件。
風華高科TLVR技術突破
風華高科依托先進金屬磁性材料技術和超高壓熱壓平臺,推出新一代熱壓工藝TLVR電感100510、110475、110750等產品。與早期的MnZn氧化物磁性材料組裝電感相比,在損耗相同的情況下,風華高科新型熱壓TLVR電感實現了更小的體積、更高的電流承載能力與更低的直流電阻(DCR),完美契合高功率密度算力服務器的發展趨勢。

風華高科TLVR電感的創新亮點在于采用了預組裝低磁導率高絕緣玻璃陶瓷層在兩組線圈之間。該技術使得產品在匝間絕緣強度與耦合系數一致性方面顯著優于市場同類競品,有效解決了傳統TLVR電感存在的耐壓低、感量不集中、電壓紋波差異大等問題。以耐壓性能為例,目前行業普遍水平為60-80V,而風華TLVR電感耐壓能力已突破100V,為產品可靠性樹立了新標桿。

磁路仿真

熱仿真

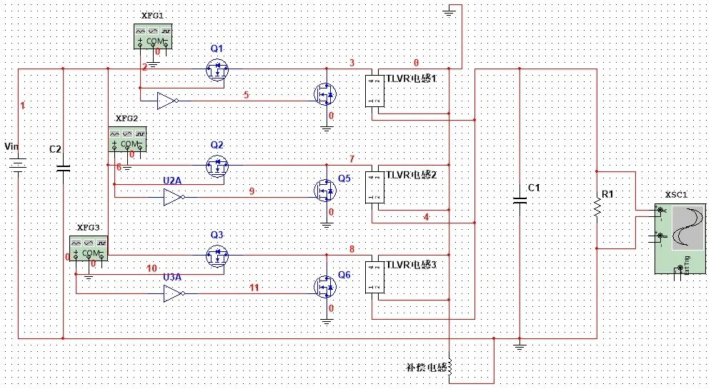
電路仿真
未來技術落地
風華高科將持續投入TLVR應用研究與測試能力建設,在自主測試平臺上為終端客戶提供更加高效的器件選型和電路仿真服務。我們致力于在基礎元器件領域不斷突破,以高性能、高可靠的TLVR電感產品,助力國產AI算力產業高質量發展。